RSS
お支払い方法別車いすの納期車いすの修理と保証のご案内車いすの無料お試し制度のご案内当社へのアクセス合資会社まるこ会社概要理系店長の車いす販売日記
車椅子用ナビゲーション空白お店で在庫している車いす店舗で展示している車いす車いすを当店で買うと安心な訳車いす購入者様プレゼントお名前シール会員ページ 新規会員登録買い物かご(カート)を見る
車椅子用ナビゲーション空白

ショップページにない車いす部品も多数取り扱っております。お気軽にお問い合わせ下さい。
 


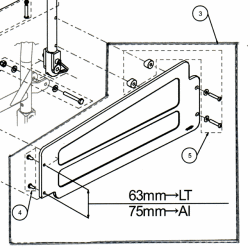
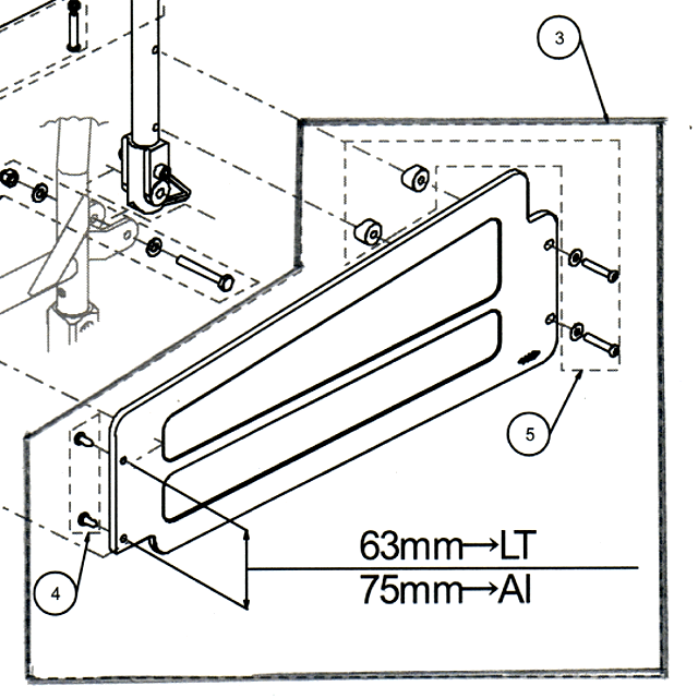
【カワムラサイクル車椅子用修理用部品】  側板(横板)取付ネジ_後用 KA800シリーズ用

側板(横板)取付ネジ_後用 KA800シリーズ用)


取付ネジ類含むセットです。
<おもな対応機種>
KA816 KA820 KA822

※当店で車椅子を購入されていない場合
 取り寄せ送料が別途605円(税込)かかります(後で加算となります)。

【カワムラサイクル車椅子用修理用部品】  側板(横板)取付ネジ_後用 KA800シリーズ用

価格:

132円 (税抜 120円)

型番をお書きください(例 RR50-N):
購入数: セット
返品期限・条件 返品についての詳細はこちら
お客様の声へのリンク レビューはありません
この商品について問い合わせる
友達にメールですすめる

商品紹介

ページトップへ